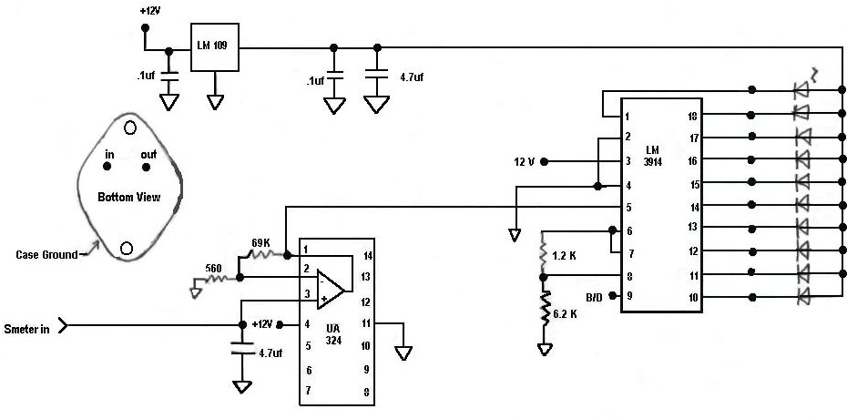
N6AIN's  s-meter
../pic/radiosmeter.jpg